wye delta starter circuit

Starting an induction motor the motor is started in the Wye configuration ref fig 1 Once the motor has reached approximately 80 speed the motor is then connected in a delta. We have a new air compressor unit that has a 480V wye-delta starter.


Star Delta Motor Starter Explained In Details Eep

3 nos of fuse are used in series with the motor circuit to protect the motor from external over current and short circuit fault.

. Step By Step tutorial for wiring and diagram of a StarWye- Delta motor control reduce voltage starter power circuit and control circuit using a Relay Type. Figure 25 Full-Voltage versus Wye-Delta Starting Current Curves. Wye delta motor starter wiring diagram.

Further operation in detail can be found here. This can reduce cost in many applications. Rockwell Automation provides soft starters capable of direct wiring up.

In addition the form factor is typically much smaller with a soft starter than that of an electro-mechanical. Wye-Delta starter Motor control Circuit. 29 Open-Transition Wye-Delta Motor Starters.

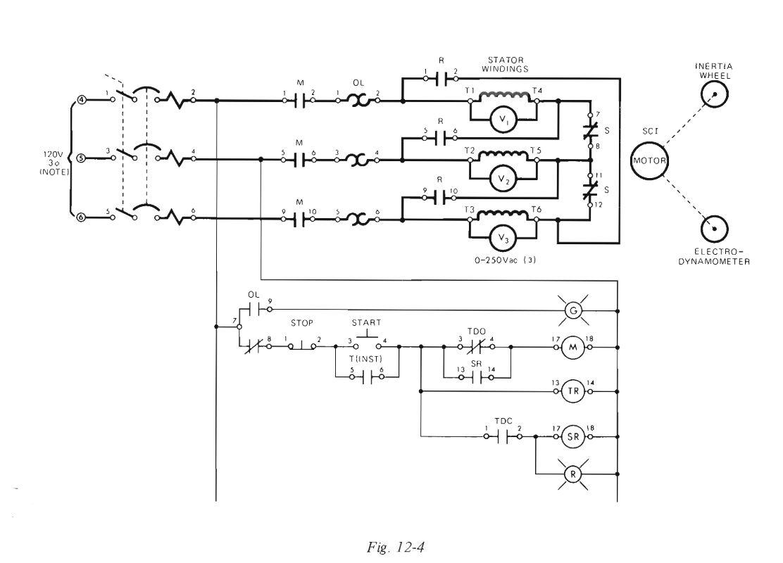
Starting at the top of the diagram with wire number 1 draw an inwardly descending spiral. Power Circuit of WyeY DeltaΔ Starter Automatic Star Delta Starter with Timer for 3-Phase AC Motors. An advantage of the Wye connection is that it can provide multiple voltages without the need for additional transformers.

Solid-State Starters The most widely used configuration of the electromechanical wye-delta starter is referred to as open transition. The power and control circuits of a star-delta starter are discussed in this article with the help of an actual star-delta starter wiring diagram. If you press start buttonwye contactor energize same time with omron timer on delay after 5 seconds wye de energi.

Also 1 fuse is used to protect the control circuit of the wye-delta. From a circuit breaker in the MCC we have one set of 40 cables going to to the main contactor in the. Although the wye and delta connection diagrams are quite.

29 Table 3 Open-Transition Wye-Delta Starter Contactors and Time. In this tutorial we will show the Star-Delta Y-Δ 3-phase induction AC.


Wye Delta Start Open Transition Applied Motor Controls


Star Delta Starter Y D Starter Power Control Wiring Diagram


Star Delta Starter Y D Starter Power Control Wiring Diagram


Sirius Innovations Star Delta Wye Delta Combination Assembly And Wiring Ce Fe Ii Id 41737766 Industry Support Siemens


Star Delta Starter Control Electrical Engineering Facebook


Motor Control Operation And Circuits Wye Delta Reduce Voltage Starter


Wye Delta Starter Wiring Diagram Direct Online Motor Control Local Electrician Philippines Youtube


Why Wye Why Delta Pumps Systems


Star Delta Starter Plc Program And Wiring Part 5


Star Delta Starters Explained The Engineering Mindset


Contactor Assemblies For Star Delta Wye Delta Starting Consisting Of Sirius 3rt And 3tf6 Contactors Up To 710 Kw Industry Mall Siemens Ww


Microcontroller Based Wye Delta Starter And Protection Relay For Cage Rotor Induction Motor Document Gale Academic Onefile


Power Circuit Of A Forward Reverse Star Wye Delta Motor Controller Schematic Diagram


Star Delta Starter Working Circuit Advantages Disadvantages


Y Start Delta Run Reduced Voltage Starters Part 1 Of 2 Youtube


Solved Wye Delta Starting Of A 3 Phase Induction Motor Q7 Chegg Com


Automatic Starters For Star Delta Motors


In A Wye Delta Motor Starter Which Type Of Time Delay Is Used Is It An Off Delay Or An On Delay Timer Quora


Star Delta Starter Theory And Working With Power And Control Circuit Electrical Technology All About Electrical Engineering

Iklan Atas Artikel

Iklan Tengah Artikel 1

Iklan Tengah Artikel 2

Iklan Bawah Artikel